深沟球轴承
深沟球轴承
更新时间 2022-04-29 16:55
阅读
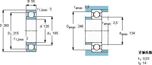
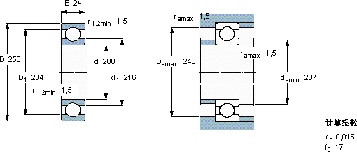
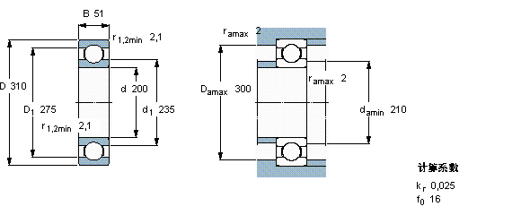
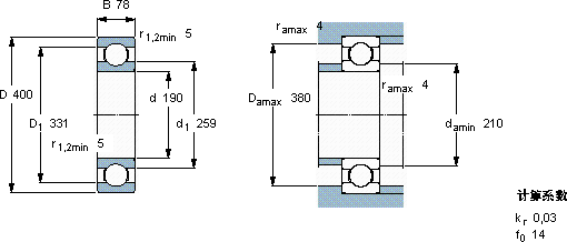
深沟球轴承,是滚动轴承中最具代表性的结构,用途广泛。该类轴承除承受径向负荷外,还可以承受双向的轴向负荷,摩擦力矩小,最适合高速旋转,低噪音、低振动的场合。轴承广泛应用于汽车、电气、仪表、建筑机械、农业机械及各种专业机械。此类轴承有开式和闭式等多种变形结构。
NNN 生产的深沟球轴承以开式,中大型、大型、特大型为主。
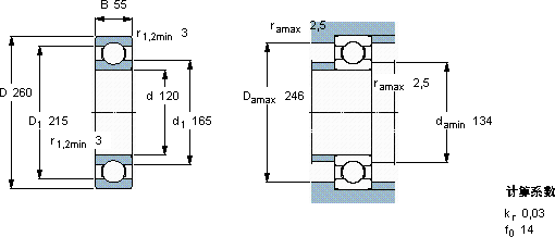
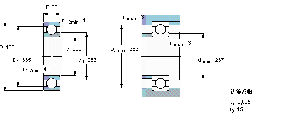
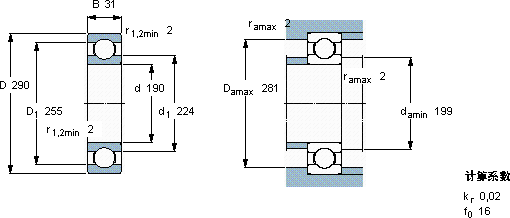
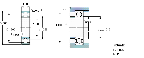
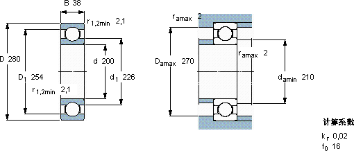
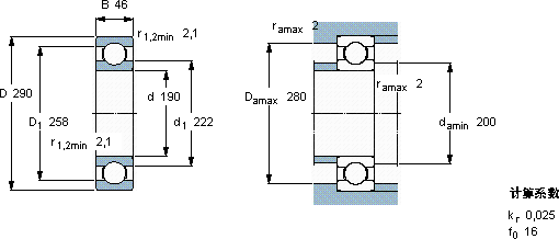
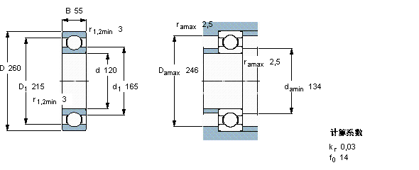
| 型号 | d | D | B | H | T | r min | 动载荷(C) | 静载荷(Co) | 脂润滑 | 油润滑 | 重量(kg) | |
| 型号 | d | D | B | H | T | r min | 动载荷(C) | 静载荷(Co) | 脂润滑 | 油润滑 | 重量(kg) | |
| 型号 | d | D | B | H | T | r min | 动载荷(C) | 静载荷(Co) | 脂润滑 | 油润滑 | 重量(kg) | |
